YN02B00363F1 BOOM PIN Kobelco SK200-8 SK210LC-8 . 1 YN02B01719P1 PIN 1 2 HS18C20175G2 CAPSCREW 1 YQ12T00874--T00944 2 YN02B02491P1 CAPSCREW 1…
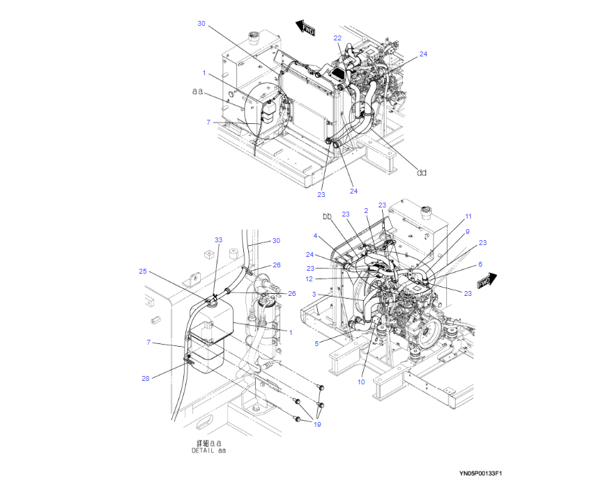
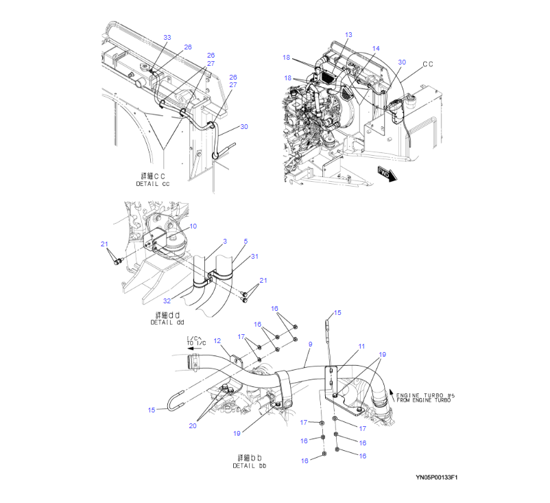
YN05P00133F1 RADIATOR GROUP KOBELCO SK200-10 SK210LC-10

YN05P00133F1 RADIATOR GROUP Not Service.
1 YN05P01496F1 TANK ASSY, WATER,SUB 1
2 YN05P01985P1 HOSE, RADIATOR 1
3 YN05P01986P1 HOSE, RADIATOR 1
4 YN05P01987P1 HOSE 1
5 YN05P01988P1 HOSE 1
6 YN05P01236P2 HOSE 1
7 HX11Y05084DX HOSE 1
9 YB05P01147P1 TUBE 1
10 LQ05P01785P1 SUPPORT 1
11 YN05P01573P2 PLATE 1
12 YB05P01159P1 PLATE 1
13 YN05P01979P1 GUARD 1
14 YN05P02020P1 GUARD 1
15 2420T2948D3 U-BOLT 2
16 ZN18C08007 NUT 8
17 ZW16P08000 WASHER 4
18 ZM73C08016 SEMS-BOLT 4
19 ZM73C08020 SEMS-BOLT 7
20 ZM73C10020 SEMS-BOLT 2
21 ZM73C10025 SEMS-BOLT 4
22 ZC16X05000 CLIP 1
23 ZC16X05800 CLIP 6
24 ZC16X07000 CLIP 3
25 PH05P01088D6 CLIP 1
26 PY01P01043D3 CLIP 6
27 YN13E01375P1 CLIP 3
28 2432R233D2 CLIP 1
30 PU13E01002DH TUBE 1
31 YN05P01882P1 CLIP 1
32 YW05P01025P1 CLIP 1
33 PH05P01088D5 CLIP 2 YN15430000-
. YQ15405532-

YN05P00130F1 RADIATOR INSTAL Not Service.
050-01_YN05P00131F1_ASIA-04_D0001917353_1 1 YN05P00131F1 RADIATOR ASSY 1 P.050-01
050-02_CKCM_D0001932516_1 2 YN05P00132F1 RADIATOR INSTAL 1 P.050-02