YN61B00331F1 YN61B00312F1 0.8M3 BUCKET ASSY Kobelco SK200-8 SK210LC-8 (SIDE TYPE PIN) 1 YN61B00331F1 BUCKET ASSY 1 1-1 YN61B00328P1 BUCKET 1 …
YN53D00016F4 YN53D00016F3 YN53D00016F2 PROPEL MOTOR Kobelco SK200-8 SK210LC-8

.
2 2420P2963D3 CAPSCREW 54
4 YN53D00017F3 MOTOR ASSY, PROPEL 2
4-4 LQ51D01007P1 SPROCKET 1
4-5 ZS13C16055 CAPSCREW 30

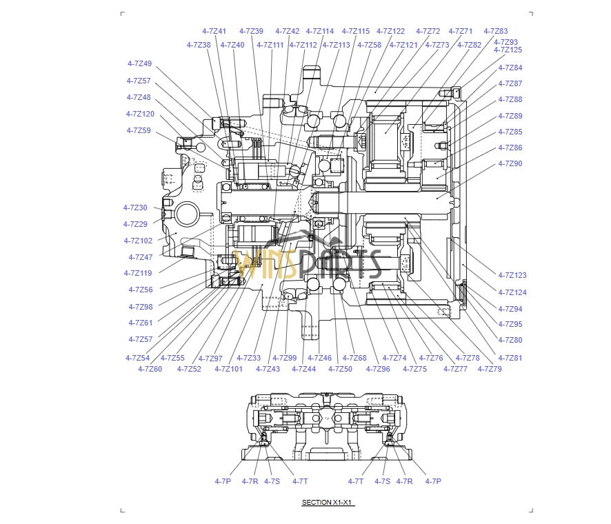
4-7 YN15V00051F4 MOTOR ASSY, PROPEL 1 YQ12T00874–T00917
4-7G ZD12P02100 O-RING 2 YQ12T00874–T00917
4-7H 2436U1027S203 SEAT, SPRING 2 YQ12T00874–T00917
4-7J LQ15V00020S009 SPRING 2 YQ12T00874–T00917
4-7K YN15V00051S010 SPRING 2 YQ12T00874–T00917
4-7M ZD12G04500 O-RING 2 YQ12T00874–T00917
4-7N ZS23C12040 CAPSCREW 8 YQ12T00874–T00917
4-7P 2436U281S37 BALL 2 YQ12T00874–T00917
4-7R 2441U792S18 SPRING 2 YQ12T00874–T00917
4-7S 2441U792S19 PLUG 2 YQ12T00874–T00917
4-7T ZD12P00800 O-RING 2 YQ12T00874–T00917
4-7U YN23V00003F1 VALVE ASSY, BRAKE 2 YQ12T00874–T00917
4-7Ug 2436U388S42 O-RING 1 YQ12T00874–T00917
4-7Uk ZD12P02100 O-RING 1 YQ12T00874–T00917
4-7Ul ZD75P02100 RING, BACK-UP 2 YQ12T00874–T00917
4-7Ut ZD12P01500 O-RING 1 YQ12T00874–T00917
4-7Uu ZD85P01500 RING, BACK-UP 2 YQ12T00874–T00917
4-7Y LQ15V00007S027 SPRING 1 YQ12T00874–T00917
4-7Z 2441U792S141 PLUG 1 YQ12T00874–T00917
4-7Z24 ZD12P01800 O-RING 2 YQ12T00874–T00917
4-7Z25 LQ15V00007S030 GUIDE 1 YQ12T00874–T00917
4-7Z26 LQ15V00007S031 PLUG 1 YQ12T00874–T00917
4-7Z27 ZW16K06000 WASHER 1 YQ12T00874–T00917
4-7Z28 NO P/No ORIFICE 2 YQ12T00874–T00917
4-7Z29 NO P/No PLUG 4 YQ12T00874–T00917
4-7Z30 ZD12P01100 O-RING 4 YQ12T00874–T00917
4-7Z31 NO P/No ORIFICE 3 YQ12T00874–T00917
4-7Z32 NO P/No ORIFICE 1 YQ12T00874–T00917
4-7Z33 LQ15V00007S042 SHAFT 1 YQ12T00874–T00917
4-7Z38 YN15V00005S114 RING, RETAINING 1 YQ12T00874–T00917
4-7Z39 YN15V00005S115 STEP 1 YQ12T00874–T00917
4-7Z40 YN15V00005S116 SPRING 1 YQ12T00874–T00917
4-7Z41 YN15V00005S117 COLLAR 1 YQ12T00874–T00917
4-7Z42 2441U792S119 PIN 3 YQ12T00874–T00917
4-7Z43 YN15V00051S043 PLATE 1 YQ12T00874–T00917
4-7Z44 2441U792S110 BALL 2 YQ12T00874–T00917
4-7Z46 LQ15V00007S055 BEARING, BALL 1 YQ12T00874–T00917
4-7Z47 LQ15V00007S056 BEARING, BALL 1 YQ12T00874–T00917
4-7Z48 LQ15V00020S048 PIN 1 YQ12T00874–T00917
4-7Z49 ZS23C14035 CAPSCREW 10 YQ12T00874–T00917
4-7Z50 LQ15V00020S050 OIL SEAL 1 YQ12T00874–T00917
4-7Z52 2441U983S126 PLATE 2 YQ12T00874–T00917
4-7Z54 2441U984S42 RING 1 YQ12T00874–T00917
4-7Z55 2441U983S130 SEAL 1 YQ12T00874–T00917
4-7Z56 2441U792S130 SPRING 8 YQ12T00874–T00917
4-7Z57 YN15V00005S128 PIN 4 YQ12T00874–T00917
4-7Z58 YN15V00005S139 SPRING 2 YQ12T00874–T00917
4-7Z59 LQ15V00020S059 PLATE 1 YQ12T00874–T00917
4-7Z60 ZD12P01000 O-RING 4 YQ12T00874–T00917
4-7Z61 2441U802S30 O-RING 1 YQ12T00874–T00917
4-7Z68 LQ15V00007S077 BEARING 2 YQ12T00874–T00917
4-7Z71 LQ15V00020S071 HOLDER 1 YQ12T00874–T00917
4-7Z72 LQ15V00007S081 WASHER 8 YQ12T00874–T00917
4-7Z73 LQ15V00007S082 CAPSCREW 8 YQ12T00874–T00917
4-7Z74 LQ15V00007S083 PLATE 4 YQ12T00874–T00917
4-7Z75 LQ15V00007S084 RACE, INNER 4 YQ12T00874–T00917
4-7Z76 LQ15V00020S076 BEARING, NEEDLE 4 YQ12T00874–T00917
4-7Z77 LQ15V00007S086 GEAR 4 YQ12T00874–T00917
4-7Z78 LQ15V00020S078 PLATE 4 YQ12T00874–T00917
4-7Z79 LQ15V00007S088 CAPSCREW 4 YQ12T00874–T00917
4-7Z80 LQ15V00020S080 GEAR, SUN 1 YQ12T00874–T00917
4-7Z81 LQ15V00007S090 RING 1 YQ12T00874–T00917
4-7Z82 LQ15V00020S082 HOLDER 1 YQ12T00874–T00917
4-7Z83 LQ15V00007S092 PLATE 3 YQ12T00874–T00917
4-7Z84 LQ15V00020S084 RACE, INNER 3 YQ12T00874–T00917
4-7Z85 LQ15V00020S085 BEARING, NEEDLE 3 YQ12T00874–T00917
4-7Z86 LQ15V00020S086 GEAR 3 YQ12T00874–T00917
4-7Z87 LQ15V00007S096 PLATE 3 YQ12T00874–T00917
4-7Z88 LQ15V00020S088 PLATE 1 YQ12T00874–T00917
4-7Z89 LQ15V00007S098 CAPSCREW 3 YQ12T00874–T00917
4-7Z90 LQ15V00020S090 GEAR 1 YQ12T00874–T00917
4-7Z94 LQ15V00007S103 PLUG 3 YQ12T00874–T00917
4-7Z95 ZD12P02400 O-RING 3 YQ12T00874–T00917
4-7Z96 LQ15V00007S105 PIN 4 YQ12T00874–T00917
4-7Z97 LQ15V00007S060 PLATE 3 YQ12T00874–T00917
4-7Z98 LQ15V00020S053 PISTON 1 YQ12T00874–T00917
4-7Z99 LQ15V00031S061 SEAL 2 YQ12T00874–T00917
4-7Z101 NO P/No FLANGE 1 YQ12T00874–T00917
4-7Z102 NO P/No PLATE 1 YQ12T00874–T00917
4-7Z103 NO P/No SPOOL 1 YQ12T00874–T00917
4-7Z104 NO P/No VALVE, CHECK 2 YQ12T00874–T00917
4-7Z105 NO P/No SPRING 2 YQ12T00874–T00917
4-7Z106 NO P/No PLUG 2 YQ12T00874–T00917
4-7Z107 NO P/No CAP 2 YQ12T00874–T00917
4-7Z108 NO P/No PLUG 8 YQ12T00874–T00917
4-7Z109 NO P/No SPOOL 1 YQ12T00874–T00917
4-7Z110 NO P/No SPOOL 1 YQ12T00874–T00917
4-7Z111 NO P/No BLOCK 1 YQ12T00874–T00917
4-7Z112 NO P/No PISTON ASSY 9 YQ12T00874–T00917
4-7Z113 NO P/No PLATE 1 YQ12T00874–T00917
4-7Z114 NO P/No HOLDER 1 YQ12T00874–T00917
4-7Z115 NO P/No PISTON ASSY 2 YQ12T00874–T00917
4-7Z116 NO P/No NAME PLATE 1 YQ12T00874–T00917
4-7Z117 NO P/No SCREW 2 YQ12T00874–T00917
4-7Z118 NO P/No PLUG 2 YQ12T00874–T00917
4-7Z119 NO P/No PLUG 1 YQ12T00874–T00917
4-7Z120 NO P/No PLUG 1 YQ12T00874–T00917
4-7Z121 NO P/No HOUSING 1 YQ12T00874–T00917
4-7Z122 NO P/No SHIM 1 YQ12T00874–T00917
4-7Z123 NO P/No PLATE 1 YQ12T00874–T00917
4-7Z124 NO P/No COVER 1 YQ12T00874–T00917
4-7Z125 NO P/No CAPSCREW 16 YQ12T00874–T00917

4-7 YN15V00051F5 MOTOR ASSY, PROPEL 1 YQ12T00918–T01138
4-7G ZD12P02100 O-RING 2 YQ12T00918–T01138
4-7H 2436U1027S203 SEAT, SPRING 2 YQ12T00918–T01138
4-7J LQ15V00020S009 SPRING 2 YQ12T00918–T01138
4-7K YN15V00051S010 SPRING 2 YQ12T00918–T01138
4-7M ZD12G04500 O-RING 2 YQ12T00918–T01138
4-7N ZS23C12040 CAPSCREW 8 YQ12T00918–T01138
4-7P 2436U281S37 BALL 2 YQ12T00918–T01138
4-7R 2441U792S18 SPRING 2 YQ12T00918–T01138
4-7S 2441U792S19 PLUG 2 YQ12T00918–T01138
4-7T ZD12P00800 O-RING 2 YQ12T00918–T01138
4-7U YN23V00003F1 VALVE ASSY, BRAKE 2 YQ12T00918–T01138
4-7Ug 2436U388S42 O-RING 1 YQ12T00918–T01138
4-7Uk ZD12P02100 O-RING 1 YQ12T00918–T01138
4-7Ul ZD75P02100 RING, BACK-UP 2 YQ12T00918–T01138
4-7Ut ZD12P01500 O-RING 1 YQ12T00918–T01138
4-7Uu ZD85P01500 RING, BACK-UP 2 YQ12T00918–T01138
4-7Y LQ15V00007S027 SPRING 1 YQ12T00918–T01138
4-7Z 2441U792S141 PLUG 1 YQ12T00918–T01138
4-7Z24 ZD12P01800 O-RING 2 YQ12T00918–T01138
4-7Z25 LQ15V00007S030 GUIDE 1 YQ12T00918–T01138
4-7Z26 LQ15V00007S031 PLUG 1 YQ12T00918–T01138
4-7Z27 ZW16K06000 WASHER 1 YQ12T00918–T01138
4-7Z28 NO P/No ORIFICE 2 YQ12T00918–T01138
4-7Z29 NO P/No PLUG 4 YQ12T00918–T01138
4-7Z30 ZD12P01100 O-RING 4 YQ12T00918–T01138
4-7Z31 NO P/No ORIFICE 3 YQ12T00918–T01138
4-7Z32 NO P/No ORIFICE 1 YQ12T00918–T01138
4-7Z33 LQ15V00007S042 SHAFT 1 YQ12T00918–T01138
4-7Z38 YN15V00005S114 RING, RETAINING 1 YQ12T00918–T01138
4-7Z39 YN15V00005S115 STEP 1 YQ12T00918–T01138
4-7Z40 YN15V00005S116 SPRING 1 YQ12T00918–T01138
4-7Z41 YN15V00005S117 COLLAR 1 YQ12T00918–T01138
4-7Z42 2441U792S119 PIN 3 YQ12T00918–T01138
4-7Z43 YN15V00051S043 PLATE 1 YQ12T00918–T01138
4-7Z44 2441U792S110 BALL 2 YQ12T00918–T01138
4-7Z46 LQ15V00007S055 BEARING, BALL 1 YQ12T00918–T01138
4-7Z47 LQ15V00007S056 BEARING, BALL 1 YQ12T00918–T01138
4-7Z48 LQ15V00020S048 PIN 1 YQ12T00918–T01138
4-7Z49 ZS23C14035 CAPSCREW 10 YQ12T00918–T01138
4-7Z50 LQ15V00020S050 OIL SEAL 1 YQ12T00918–T01138
4-7Z52 2441U983S126 PLATE 2 YQ12T00918–T01138
4-7Z54 2441U984S42 RING 1 YQ12T00918–T01138
4-7Z55 2441U983S130 SEAL 1 YQ12T00918–T01138
4-7Z56 2441U792S130 SPRING 8 YQ12T00918–T01138
4-7Z57 YN15V00005S128 PIN 4 YQ12T00918–T01138
4-7Z58 YN15V00005S139 SPRING 2 YQ12T00918–T01138
4-7Z59 LQ15V00020S059 PLATE 1 YQ12T00918–T01138
4-7Z60 ZD12P01000 O-RING 4 YQ12T00918–T01138
4-7Z61 2441U802S30 O-RING 1 YQ12T00918–T01138
4-7Z68 LQ15V00007S077 BEARING 2 YQ12T00918–T01138
4-7Z71 LQ15V00020S071 HOLDER 1 YQ12T00918–T01138
4-7Z72 LQ15V00007S081 WASHER 8 YQ12T00918–T01138
4-7Z73 LQ15V00007S082 CAPSCREW 8 YQ12T00918–T01138
4-7Z74 LQ15V00007S083 PLATE 4 YQ12T00918–T01138
4-7Z75 LQ15V00007S084 RACE, INNER 4 YQ12T00918–T01138
4-7Z76 LQ15V00020S076 BEARING, NEEDLE 4 YQ12T00918–T01138
4-7Z77 LQ15V00007S086 GEAR 4 YQ12T00918–T01138
4-7Z78 LQ15V00020S078 PLATE 4 YQ12T00918–T01138
4-7Z79 LQ15V00007S088 CAPSCREW 4 YQ12T00918–T01138
4-7Z80 LQ15V00020S080 GEAR, SUN 1 YQ12T00918–T01138
4-7Z81 LQ15V00007S090 RING 1 YQ12T00918–T01138
4-7Z82 LQ15V00020S082 HOLDER 1 YQ12T00918–T01138
4-7Z83 LQ15V00007S092 PLATE 3 YQ12T00918–T01138
4-7Z84 LQ15V00020S084 RACE, INNER 3 YQ12T00918–T01138
4-7Z85 LQ15V00020S085 BEARING, NEEDLE 3 YQ12T00918–T01138
4-7Z86 LQ15V00020S086 GEAR 3 YQ12T00918–T01138
4-7Z87 LQ15V00007S096 PLATE 3 YQ12T00918–T01138
4-7Z88 LQ15V00020S088 PLATE 1 YQ12T00918–T01138
4-7Z89 LQ15V00007S098 CAPSCREW 3 YQ12T00918–T01138
4-7Z90 LQ15V00020S090 GEAR 1 YQ12T00918–T01138
4-7Z93 ZS23C10020 CAPSCREW 16 YQ12T00918–T01138
4-7Z94 LQ15V00007S103 PLUG 3 YQ12T00918–T01138
4-7Z95 ZD12P02400 O-RING 3 YQ12T00918–T01138
4-7Z96 LQ15V00007S105 PIN 4 YQ12T00918–T01138
4-7Z97 LQ15V00007S060 PLATE 3 YQ12T00918–T01138
4-7Z98 LQ15V00020S053 PISTON 1 YQ12T00918–T01138
4-7Z99 LQ15V00031S061 SEAL 2 YQ12T00918–T01138
4-7Z101 NO P/No FLANGE 1 YQ12T00918–T01138
4-7Z102 NO P/No PLATE 1 YQ12T00918–T01138
4-7Z103 NO P/No SPOOL 1 YQ12T00918–T01138
4-7Z104 NO P/No VALVE, CHECK 2 YQ12T00918–T01138
4-7Z105 NO P/No SPRING 2 YQ12T00918–T01138
4-7Z106 NO P/No PLUG 2 YQ12T00918–T01138
4-7Z107 NO P/No CAP 2 YQ12T00918–T01138
4-7Z108 NO P/No PLUG 8 YQ12T00918–T01138
4-7Z109 NO P/No SPOOL 1 YQ12T00918–T01138
4-7Z110 NO P/No SPOOL 1 YQ12T00918–T01138
4-7Z111 NO P/No BLOOK 1 YQ12T00918–T01138
4-7Z112 NO P/No PISTON ASSY 9 YQ12T00918–T01138
4-7Z113 NO P/No PLATE 1 YQ12T00918–T01138
4-7Z114 NO P/No HOLDER 1 YQ12T00918–T01138
4-7Z115 NO P/No PISTON ASSY 2 YQ12T00918–T01138
4-7Z116 NO P/No NAME PLATE 1 YQ12T00918–T01138
4-7Z117 NO P/No SCREW 2 YQ12T00918–T01138
4-7Z118 NO P/No PLUG 2 YQ12T00918–T01138
4-7Z119 NO P/No PLUG 1 YQ12T00918–T01138
4-7Z120 NO P/No PLUG 1 YQ12T00918–T01138
4-7Z121 NO P/No HOUSING 1 YQ12T00918–T01138
4-7Z122 NO P/No SHIM 1 YQ12T00918–T01138
4-7Z123 NO P/No PLATE 1 YQ12T00918–T01138
4-7Z124 NO P/No COVER 1 YQ12T00918–T01138
4-7 YN15V00051F6 MOTOR ASSY, PROPEL 1 YQ12T01139-
4-7G ZD12P02100 O-RING 2 YQ12T01139-
4-7H 2436U1027S203 SEAT, SPRING 2 YQ12T01139-
4-7J LQ15V00020S009 SPRING 2 YQ12T01139-
4-7K YN15V00051S010 SPRING 2 YQ12T01139-
4-7M ZD12G04500 O-RING 2 YQ12T01139-
4-7N ZS23C12040 CAPSCREW 8 YQ12T01139-
4-7P 2436U281S37 BALL 2 YQ12T01139-
4-7R 2441U792S18 SPRING 2 YQ12T01139-
4-7S 2441U792S19 PLUG 2 YQ12T01139-
4-7T ZD12P00800 O-RING 2 YQ12T01139-
4-7U YN23V00003F1 VALVE ASSY, BRAKE 2 YQ12T01139-
4-7Ug 2436U388S42 O-RING 1 YQ12T01139-
4-7Uk ZD12P02100 O-RING 1 YQ12T01139-
4-7Ul ZD75P02100 RING, BACK-UP 2 YQ12T01139-
4-7Ut ZD12P01500 O-RING 1 YQ12T01139-
4-7Uu ZD85P01500 RING, BACK-UP 2 YQ12T01139-
4-7Y LQ15V00007S027 SPRING 1 YQ12T01139-
4-7Z 2441U792S141 PLUG 1 YQ12T01139-
4-7Z24 ZD12P01800 O-RING 2 YQ12T01139-
4-7Z25 LQ15V00007S030 GUIDE 1 YQ12T01139-
4-7Z26 LQ15V00007S031 PLUG 1 YQ12T01139-
4-7Z27 ZW16K06000 WASHER 1 YQ12T01139-
4-7Z28 NO P/No ORIFICE 2 YQ12T01139-
4-7Z29 NO P/No PLUG 4 YQ12T01139-
4-7Z30 ZD12P01100 O-RING 4 YQ12T01139-
4-7Z31 NO P/No ORIFICE 3 YQ12T01139-
4-7Z32 NO P/No ORIFICE 1 YQ12T01139-
4-7Z33 LQ15V00007S042 SHAFT 1 YQ12T01139-
4-7Z38 YN15V00005S114 RING, RETAINING 1 YQ12T01139-
4-7Z39 YN15V00005S115 STEP 1 YQ12T01139-
4-7Z40 YN15V00005S116 SPRING 1 YQ12T01139-
4-7Z41 YN15V00005S117 COLLAR 1 YQ12T01139-
4-7Z42 2441U792S119 PIN 3 YQ12T01139-
4-7Z43 YN15V00051S043 PLATE 1 YQ12T01139-
4-7Z44 2441U792S110 BALL 2 YQ12T01139-
4-7Z46 LQ15V00007S055 BEARING, BALL 1 YQ12T01139-
4-7Z47 LQ15V00007S056 BEARING, BALL 1 YQ12T01139-
4-7Z48 LQ15V00020S048 PIN 1 YQ12T01139-
4-7Z49 ZS23C14035 CAPSCREW 10 YQ12T01139-
4-7Z50 LQ15V00020S050 OIL SEAL 1 YQ12T01139-
4-7Z52 2441U983S126 PLATE 2 YQ12T01139-
4-7Z54 2441U984S42 RING 1 YQ12T01139-
4-7Z55 2441U983S130 SEAL 1 YQ12T01139-
4-7Z56 2441U792S130 SPRING 8 YQ12T01139-
4-7Z57 YN15V00005S128 PIN 4 YQ12T01139-
4-7Z58 YN15V00005S139 SPRING 2 YQ12T01139-
4-7Z59 LQ15V00020S059 PLATE 1 YQ12T01139-
4-7Z60 ZD12P01000 O-RING 4 YQ12T01139-
4-7Z61 2441U802S30 O-RING 1 YQ12T01139-
4-7Z68 LQ15V00007S077 BEARING 2 YQ12T01139-
4-7Z71 LQ15V00020S071 HOLDER 1 YQ12T01139-
4-7Z72 LQ15V00007S081 WASHER 8 YQ12T01139-
4-7Z73 LQ15V00007S082 CAPSCREW 8 YQ12T01139-
4-7Z74 LQ15V00007S083 PLATE 4 YQ12T01139-
4-7Z75 LQ15V00007S084 RACE, INNER 4 YQ12T01139-
4-7Z76 LQ15V00020S076 BEARING, NEEDLE 4 YQ12T01139-
4-7Z77 LQ15V00007S086 GEAR 4 YQ12T01139-
4-7Z78 LQ15V00020S078 PLATE 4 YQ12T01139-
4-7Z79 LQ15V00007S088 CAPSCREW 4 YQ12T01139-
4-7Z80 LQ15V00020S080 GEAR, SUN 1 YQ12T01139-
4-7Z81 LQ15V00007S090 RING 1 YQ12T01139-
4-7Z82 LQ15V00020S082 HOLDER 1 YQ12T01139-
4-7Z83 LQ15V00007S092 PLATE 3 YQ12T01139-
4-7Z84 LQ15V00020S084 RACE, INNER 3 YQ12T01139-
4-7Z85 LQ15V00020S085 BEARING, NEEDLE 3 YQ12T01139-
4-7Z86 LQ15V00020S086 GEAR 3 YQ12T01139-
4-7Z87 LQ15V00007S096 PLATE 3 YQ12T01139-
4-7Z88 LQ15V00020S088 PLATE 1 YQ12T01139-
4-7Z89 LQ15V00007S098 CAPSCREW 3 YQ12T01139-
4-7Z90 LQ15V00020S090 GEAR 1 YQ12T01139-
4-7Z93 ZS23C10020 CAPSCREW 16 YQ12T01139-
4-7Z94 LQ15V00007S103 PLUG 3 YQ12T01139-
4-7Z95 ZD12P02400 O-RING 3 YQ12T01139-
4-7Z96 LQ15V00007S105 PIN 4 YQ12T01139-
4-7Z97 LQ15V00007S060 PLATE 3 YQ12T01139-
4-7Z98 LQ15V00020S053 PISTON 1 YQ12T01139-
4-7Z99 LQ15V00031S061 SEAL 2 YQ12T01139-
4-7Z101 NO P/No FLANGE 1 YQ12T01139-
4-7Z102 NO P/No PLATE 1 YQ12T01139-
4-7Z103 NO P/No SPOOL 1 YQ12T01139-
4-7Z104 NO P/No VALVE, CHECK 2 YQ12T01139-
4-7Z105 NO P/No SPRING 2 YQ12T01139-
4-7Z106 NO P/No PLUG 2 YQ12T01139-
4-7Z107 NO P/No CAP 2 YQ12T01139-
4-7Z108 NO P/No PLUG 8 YQ12T01139-
4-7Z109 NO P/No SPOOL 1 YQ12T01139-
4-7Z110 NO P/No SPOOL 1 YQ12T01139-
4-7Z111 NO P/No BLOOK 1 YQ12T01139-
4-7Z112 NO P/No PISTON ASSY 9 YQ12T01139-
4-7Z113 NO P/No PLATE 1 YQ12T01139-
4-7Z114 NO P/No HOLDER 1 YQ12T01139-
4-7Z115 NO P/No PISTON ASSY 2 YQ12T01139-
4-7Z116 NO P/No NAME PLATE 1 YQ12T01139-
4-7Z117 NO P/No SCREW 2 YQ12T01139-
4-7Z118 NO P/No PLUG 2 YQ12T01139-
4-7Z119 NO P/No PLUG 1 YQ12T01139-
4-7Z120 NO P/No PLUG 1 YQ12T01139-
4-7Z121 NO P/No HOUSING 1 YQ12T01139-
4-7Z122 NO P/No SHIM 1 YQ12T01139-
4-7Z123 NO P/No PLATE 1 YQ12T01139-
4-7Z124 NO P/No COVER 1 YQ12T01139-
.
LQ15V00020R100 REPAIR KIT 1
(4-7Z50, 4-7Z54, 4-7Z55, 4-7Z61)X1
(4-7G, 4-7M, 4-7T, 4-7Z24)X2
(4-7Z30, 4-7Z60)X4
.
LQ15V00019R200 REPAIR KIT 1
(4-7Z99)X2
(4-7Z95)X3
.
YN15V00051R400 REPAIR KIT 1
(4-7Z32, 4-7Z102, 4-7Z103, 4-7Z109, 4-7Z110)X1
(4-7G, 4-7Z28, 4-7Z104, 4-7Z105, 4-7Z106)X2
(4-7Z31)X3
(4-7Z29, 4-7Z30)X4
(4-7Z108)X8
.
2441U792S13 REPAIR KIT 1
(4-7M, 4-7P, 4-7R, 4-7S, 4-7T, 4-7Z107)X2
(4-7N)X8
.
LQ15V00020R600 REPAIR KIT 1
(4-7Z38, 4-7Z39, 4-7Z40, 4-7Z41, 4-7Z111, 4-7Z113, 4-7Z114)X1
(4-7Z42)X3
(4-7Z112)X9
.
LQ15V00007R700 REPAIR KIT 1
(4-7Z122)X1
.
LQ15V00007R800 REPAIR KIT 1
(4-7Z123)X1
.
LQ15V00031R920 REPAIR KIT 1
(4-7Z71, 4-7Z80, 4-7Z81, 4-7Z82, 4-7Z88, 4-7Z90, 4-7Z101, 4-7Z121, 4-7Z122, 4-7Z123, 4-7Z124)X1
(4-7Z68, 4-7Z99, 4-7Z115)X2
(4-7Z83, 4-7Z84, 4-7Z85, 4-7Z86, 4-7Z87, 4-7Z89, 4-7Z94, 4-7Z95)X3
(4-7Z74, 4-7Z75, 4-7Z76, 4-7Z77, 4-7Z78, 4-7Z79, 4-7Z96)X4
(4-7Z72, 4-7Z73)X8
(4-7Z125)X16
.
LQ15V00031R930 REPAIR KIT 1
(4-7Z124)X1
(4-7Z125)X16
.
LQ15V00031R950 REPAIR KIT 1 YQ12T00918-
(4-7Z101)X1
(4-7Z115)X2