YN02B00363F1 BOOM PIN Kobelco SK200-8 SK210LC-8 . 1 YN02B01719P1 PIN 1 2 HS18C20175G2 CAPSCREW 1 YQ12T00874--T00944 2 YN02B02491P1 CAPSCREW 1…
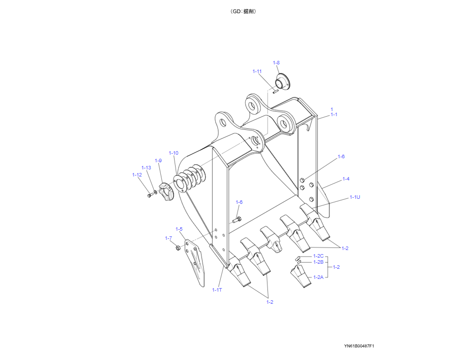
YN61B00487F1 YN61B00488F1 BUCKET ASSY, 0.93M3

3 YN41C00115P1 STEP 4
5 ZW16H12000 WASHER 8
7 ZS18C12050 CAPSCREW 8
8 ZN18C12010 NUT 8
YN41C00117F1 STEP INSTAL
1 YN41C00113P1 STEP 4
5 ZW16H12000 WASHER 8
6 ZS18C12040 CAPSCREW 8

1 YN61B00488F1 BUCKET ASSY 1
1-1 YN61B00489P1 BUCKET 1
1-1T YN69B01142P1 EDGE, CUTTING 1
1-1U YN61B01325P1 ADAPTER 5
1-2 B12N0006F1 TOOTH ASSY 5
1-2A B12N0006E1 POINT 1
1-2B B12N0006E2 LOCK-PIN, RUBBER 1
1-2C B12N0006E3 PIN, LOCKING 1
1-4 YN69B00010P1 CUTTER, SIDE 1
1-5 YN69B00011P1 CUTTER, SIDE 1
1-6 ZS13C24065 CAPSCREW 8
1-7 ZN13C24019 NUT 8
1-8 YB61B01003P1 BUSHING 1
1-9 YB61B01005P1 PLATE 1
1-10 YB61B01004P1 SHIM (1.0) 5
1-11 2419T3747D2 PIN 1
1-12 ZS13C16045 CAPSCREW 3
1-13 YB61B01007P1 WASHER 3

1 YN61B00613F1 BUCKET ASSY 1
1-1 YN61B00614F1 BUCKET ASSY 1
1-1A YN61B00615P1 BUCKET 1
1-1Av YN69B01048D9 EDGE, CUTTING 1
1-1Aw YN61B01020P1 ADAPTER 5
1-1B YN69B00008F1 TOOTH ASSY 5
1-1Ba YN69B00008S001 TOOTH 1
1-1Bb YN69B00008S002 PIN 1
1-1Bc YN69B00008S003 SPRING 1
1-1C YN69B00006P1 CUTTER, SIDE 1
1-1D YN69B00007P1 CUTTER, SIDE 1
1-1E ZS13C24070 CAPSCREW 8
1-1F ZN13C24019 NUT 8
1-1G YB61B01003P1 BUSHING 1
1-1H YB61B01005P1 PLATE 1
1-1J YB61B01004P1 SHIM 5
1-1K 2419T3747D2 PIN 1
1-1L ZS13C16050 CAPSCREW 3
1-1M YB61B01007P1 WASHER 3
1-1N ZW16H16000 WASHER 3
1-2 YN61B01792P1 PLATE ASSY 1