YN02B00363F1 BOOM PIN Kobelco SK200-8 SK210LC-8 . 1 YN02B01719P1 PIN 1 2 HS18C20175G2 CAPSCREW 1 YQ12T00874--T00944 2 YN02B02491P1 CAPSCREW 1…
LG02P00002F1 LG02P00001F1 YT02P00012F1 ENGINE ASSY KOBELCO

.
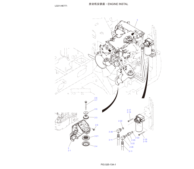
1 LG02P00001F1 ENGINE ASSY 1 SEE E/G
2 YT02P00012F1 ENGINE INSTAL 1
2-1 YT02P01004P1 BRACKET 1
2-2 YT02P01011P1 BRACKET 1
2-3 YT02P01006P1 MOUNT, RUBBER 4
2-4 YT02P01019P1 PLATE 4
2-5 PW01P01022P1 WASHER 4
2-6 HS18C12120G1 CAPSCREW 4
2-7 ZW16H12000 WASHER 6
2-8 ZN18C12010 NUT 2
2-9 ZM73C10030 SEMS-BOLT 10
2-11 YT02P01015P1 HOSE 2
2-15 ZH22X08012 CONNECTOR 2
2-17 ZS18C08080 CAPSCREW 2
2-18 ZS18C08100 CAPSCREW 2
2-19 ZW16P08000 WASHER 4
2-21 YT02P01018P1 MOUNT, RUBBER 4
2-22 HD16P02400G2 O-RING 5
2-23 PY01P01043D2 CLIP 1
2-25 YA03H01018P1 CONNECTOR 1
2-26 ZH32X08012 ELBOW, 90 2

.
2 YT02P00012F1 ENGINE INSTAL 1
2-1 YT02P01004P1 BRACKET 1
2-2 YT02P01011P1 BRACKET 1
2-3 YT02P01006P1 MOUNT, RUBBER 4
2-4 YT02P01019P1 PLATE 4
2-5 PW01P01022P1 WASHER 4
2-6 HS18C12120G1 CAPSCREW 4
2-7 ZW16H12000 WASHER 6
2-8 ZN18C12010 NUT 2
2-9 ZM73C10030 SEMS-BOLT 10
2-11 YT02P01015P1 HOSE 2
2-15 ZH22X08012 CONNECTOR 2
2-17 ZS18C08080 CAPSCREW 2
2-18 ZS18C08100 CAPSCREW 2
2-19 ZW16P08000 WASHER 4
2-21 YT02P01018P1 MOUNT, RUBBER 4
2-22 HD16P02400G2 O-RING 5
2-23 PY01P01043D2 CLIP 1
2-25 YA03H01018P1 CONNECTOR 1
2-26 ZH32X08012 ELBOW, 90 2
3 YT02P00010F5 ENGINE ASSY 1 SEE E/G LG01-H6777–H7327
3 YT02P00010F6 ENGINE ASSY 1 SEE E/G LG01-H7328–H7829
3 YT02P00010F7 ENGINE ASSY 1 SEE E/G LG01-H7830-

.
1 YT02P00024F1 ENGINE ASSY 1 SEE E/G YT09-40001–40251
. YT09045001–47179
1 YT02P00024F3 ENGINE ASSY 1 SEE E/G YT09047180–47622
1 YT02P00024F4 ENGINE ASSY 1 SEE E/G YT09047623-
040-01_YT02P00025F1_KCM-EUR-01_D0002504921_1 2 YT02P00025F1 ENGINE INSTAL 1 P.040-01
3 YT22E00208F1 CONTROLLER INSTAL 1 YT09-40001–40251
. YT09045001–47179
3-1 YT22E00191F1 CONTROLLER 1
3-2 ZM73C06025 SEMS-BOLT 4
3 YT22E00208F2 CONTROLLER INSTAL 1 YT09047180-
3-2 ZM73C06025 SEMS-BOLT 4
3-3 YT22E00191F2 CONTROLLER 1

.
1 YT02P01068P1 FILLER 1
2 YT02P01069P1 O-RING 1
3 YT02P01041P1 MOUNT, RUBBER 4
4 YY02P01078P1 MOUNT, RUBBER 4
5 YT02P01056P1 BRACKET 1
6 YT02P01057P1 BRACKET 1
7 YT02P01078P1 BRACKET 1
8 YT02P01081P1 BRACKET 1
9 YT02P01042P1 PLATE 2
10 YY02P01087P1 PLATE 2
11 YW03H01183P1 CLAMP 1
12 YN03H01075P1 BUSHING 2
13 ZM73C10030 SEMS-BOLT 10
14 ZM73C08025 SEMS-BOLT 4
15 ZS18C16130 CAPSCREW 2
16 ZS18C12120 CAPSCREW 2
17 ZS18C12065 CAPSCREW 1
18 ZS18C08040 CAPSCREW 2
19 ZN18C16013 NUT 2
20 ZW16H16000 WASHER 4
21 ZW16H12000 WASHER 3
22 ZW16H08000 WASHER 2
23 YT02P00026F1 FILTER ASSY, OIL 1 YT09-40001–40251
. YT09045001–47622
23 YT02P00026F2 FILTER ASSY, OIL 1 YT09047623-
24 YT02P01080P1 CONNECTOR 2
25 YT02P01084P1 HOSE ASSY 1
26 YT02P01085P1 HOSE ASSY 1
27 YJ43H01028P1 ELBOW 2
28 YT02P01086P1 RUBBER 1