YANMAR 4TNV88 DIESEL ENGINEYANMAR 4TNV88 DIESEL ENGINE 4TNV88-BPYBD 4TNV88-BPYBC 4TNV88-BPYBE PARTSCASE CX55B CX58C 729602-01560 CYLINDER BLOCK YANMAR 4TNV884TNV88-BPYBD 4TNV88-BPYBC 4TNV88-BPYBE…
YANMAR DIESEL ENGINE YANMAR 3TNV82 3TNV82A-BPYBD 3TNV82A-BPYBC 3TNV82A-BPYBU
YANMAR DIESEL ENGINE
3TNV82A
YANMAR 3TNV82 3TNV82A-BPYBD 3TNV82A-BPYBC 3TNV82A-BPYBU DIESEL ENGINE PARTS
GENUINE PARTS KOBELCO SK28SR-6 SK30SR-6 SK35SR-6 SK30UR-6 SK38UR-6 SK28SR-6E SK30SR-6E SK35SR-6E

71980201560 719802-01560 1 VV71980201560 ・BLOCK ASSY, CYLINDER 1
12406001050 124060-01050 4 VV12406001050 ・・PLUG, PT1/8 1
12900101250 129001-01250 5 VV12900101250 ・・PLUG, 50 1
12416001910 124160-01910 6 VV12416001910 ・・PLUG, PT1/4 2
12416001910 124160-01910 7 VV12416001910 ・・PLUG, PT1/4 1
17105101921 171051-01921 8 VV17105101921 ・・PLUG, NPTF1 1
11962002020 119620-02020 9 VV11962002020 ・・BOLT, METAL CAP 8
12979502412 129795-02412 12 VV12979502412 ・・BUSH, CAMSHAFT 1
27241120000 272411-20000 13 VV27241120000 ・・PLUG, 12 2
27241300000 272413-00000 14 VV27241300000 ・・PLUG 30 6
11971702930 119717-02930 15 VV11971702930 ・・BEARING, THRUST 2
11981001200 119810-01200 27 VV11981001200 ・BOLT, HEAD 14
11981201330 119812-01330 28 VV11981201330 ・GASKET, HEAD 1
71981002981 719810-02981 29 VV71981002981 ・BEARING, MAIN 4 -1
11981002871 119810-02871 32 VV11981002871 ・BEARING, 0.25 US 4 -2
11981002941 119810-02941 35 VV11981002941 ・BEARING, THRUST 0.25 2 -3

.
72963001500 729630-01500 1 VV72963001500 ・CASE ASSY, GEAR 1
11993401800 119934-01800 3 VV11993401800 ・・SEAL, OIL 1
11980301520 119803-01520 4 VV11980301520 ・FLANGE, GEAR CASE 1
11980201561 119802-01561 5 VV11980201561 ・STUD, M8X25 3
12416001751 124160-01751 6 VV12416001751 ・COVER, FILLER 1
12424001871 124240-01871 7 VV12424001871 ・COVER 1
12979501950 129795-01950 8 VV12979501950 ・PIPE, KNOCK L=18 2
11960932040 119609-32040 9 VV11960932040 ・O-RING, P16 2
12185051960 121850-51960 10 VV12185051960 ・O-RING 1
22190080002 221900-80002 11 VV22190080002 ・WASHER, SEAL 8 5
24311000320 243110-00320 12 VV24311000320 ・O-RING, 1AP32.0 1
26106080162 261060-80162 13 VV26106080162 ・BOLT, M8X 16 PLATED 3
26106080302 261060-80302 14 VV26106080302 ・BOLT, M8X 30 PLATED 1
26106080552 261060-80552 15 VV26106080552 ・BOLT, M8X 55 PLATED 12
26106080852 261060-80852 16 VV26106080852 ・BOLT, M8X 85 PLATED 3
26106080162 261060-80162 17 VV26106080162 ・BOLT, M8X 16 PLATED 4
26306080002 263060-80002 18 VV26306080002 ・NUT, M8 3
12102301551 121023-01551 19 VV12102301551 ・COVER 1
24341000240 243410-00240 20 VV24341000240 ・O-RING, 1AS24.0 1
26106060162 261060-60162 21 VV26106060162 ・BOLT, M6X 16 PLATED 2
17103111741 171031-11741 22 VV17103111741 ・PIPE 1
24311000320 243110-00320 23 VV24311000320 ・O-RING, 1AP32.0 1

.
12910001580 129100-01580 1 VV12910001580 ・PIN, 8X16 2
12961201600 129612-01600 2 VV12961201600 ・HOUSING, FLYWHEEL 1
11962001750 119620-01750 3 VV11962001750 ・CAP 1
26206100252 262061-00252 4 VV26206100252 ・BOLT, M10X 25 PLATED 6
26206100302 262061-00302 5 VV26206100302 ・BOLT, M10X 30 PLATED 4
11981001730 119810-01730 6 VV11981001730 ・SPACER, OIL SUMP 1
11982301780 119823-01780 8 VV11982301780 ・SUMP ASSY, OIL 1
12140001640 121400-01640 9 VV12140001640 ・・PLUG, 16 1
24311000180 243110-00180 11 VV24311000180 ・・O-RING, 1AP18.0 1
26106080162 261060-80162 12 VV26106080162 ・BOLT, M8X 16 PLATED 6
26106080452 261060-80452 13 VV26106080452 ・BOLT, M8X 45 PLATED 22
12910001580 129100-01580 14 VV12910001580 ・PIN, 8X16 2
12910001640 129100-01640 15 VV12910001640 ・CASE ASSY, OIL SEAL 1
12979501780 129795-01780 17 VV12979501780 ・・SEAL, OIL 1
12948601670 129486-01670 18 VV12948601670 ・BOLT, M8X30 6
26106080352 261060-80352 19 VV26106080352 ・BOLT, M8X 35 PLATED 3

.
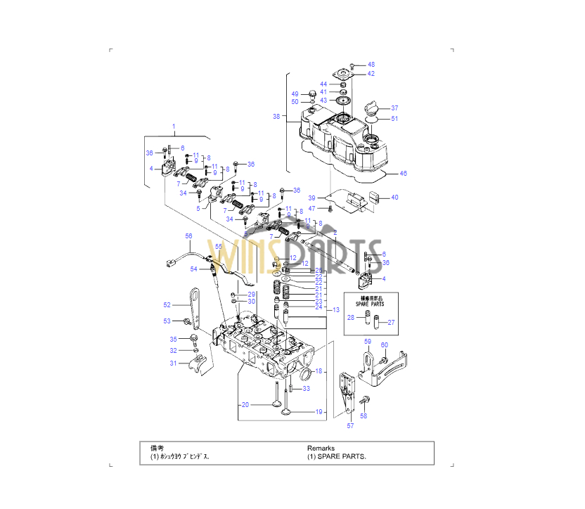
11980211241 119802-11241 1 VV11980211241 ・SHAFT ASSY, ROCKER 1 BPYBD,C
11980211251 119802-11251 2 VV11980211251 ・・SHAFT, ROCKER ARM 1 BPYBD,C
11980211260 119802-11260 4 VV11980211260 ・・SUPPORT, ROCKER ARM 2 BPYBD,C
11980211270 119802-11270 5 VV11980211270 ・・SUPPORT, ROCKER ARM 2 BPYBD,C
11980211280 119802-11280 6 VV11980211280 ・・STUD 3 BPYBD,C
12915011280 129150-11280 7 VV12915011280 ・・SPRING 3 BPYBD,C
11980211650 119802-11650 8 VV11980211650 ・・ARM, ROCKER 6 BPYBD,C
12915011230 129150-11230 9 VV12915011230 ・・・SCREW, VALVE ADJUST 6 BPYBD,C
12915011750 129150-11750 11 VV12915011750 ・・・NUT, M8 6 BPYBD,C
10421111370 104211-11370 12 VV10421111370 ・CAP, VALVE 6 BPYBD,C
11980311700 119803-11700 13 VV11980311700 ・HEAD ASSY, CYLINDER 1 BPYBD,C
27241400000 272414-00000 18 VV27241400000 ・・PLUG, 40 2 BPYBD,C
11980211100 119802-11100 19 VV11980211100 ・・VALVE, INTAKE 3 BPYBD,C
11980211110 119802-11110 20 VV11980211110 ・・VALVE, EXHAUST 3 BPYBD,C
11981011120 119810-11120 21 VV11981011120 ・・SPRING, VALVE 6 BPYBD,C
10421111180 104211-11180 22 VV10421111180 ・・RETAINER, SPRING 6 BPYBD,C
11980311340 119803-11340 23 VV11980311340 ・・SEAL, VALVE STEM 3 BPYBD,C
12416011340 124160-11340 24 VV12416011340 ・・SEAL, VALVE STEM 3 BPYBD,C
27310070001 273100-70001 25 VV27310070001 ・・COTTER, 7 6 BPYBD,C
12406011800 124060-11800 27 VV12406011800 ・GUIDE, VALVE 3 (1) BPYBD,C
11980211810 119802-11810 28 VV11980211810 ・GUIDE, VALVE 3 (1) BPYBD,C
11980211870 119802-11870 29 VV11980211870 ・PROTECTOR, NOZZLE 3 BPYBD,C
11962511880 119625-11880 30 VV11962511880 ・SEAT, NOZZLE 3 BPYBD,C
11980211900 119802-11900 31 VV11980211900 ・RETAINER, NOZZLE 3 BPYBD,C
12027054410 120270-54410 32 VV12027054410 ・WASHER, INJECTOR 3 BPYBD,C
22351060012 223510-60012 33 VV22351060012 ・PIN, SPRING 6.0X12 2 BPYBD,C
26106080252 261060-80252 34 VV26106080252 ・BOLT, M8X 25 PLATED 2 BPYBD,C
26106080452 261060-80452 35 VV26106080452 ・BOLT, M8X 45 PLATED 3 BPYBD,C
26106080502 261060-80502 36 VV26106080502 ・BOLT, M8X 50 PLATED 6 BPYBD,C
12416001751 124160-01751 37 VV12416001751 ・COVER, FILLER 1 BPYBD,C
11980211350 119802-11350 38 VV11980211350 ・BONNET ASSY, HEAD 1 BPYBD,C
11980203010 119802-03010 39 VV11980203010 ・・PLATE 1 BPYBD,C
12915003070 129150-03070 40 VV12915003070 ・・BAFFLE, BREATHER 1 BPYBD,C
11980203110 119802-03110 41 VV11980203110 ・・PLATE 1 BPYBD,C
11980203121 119802-03121 42 VV11980203121 ・・COVER, DIAPHRAGM 1 BPYBD,C
11980203130 119802-03130 43 VV11980203130 ・・DIAPHRAGM 1 BPYBD,C
11980203141 119802-03141 44 VV11980203141 ・・SPRING, DIAPHRAGM 1 BPYBD,C
11980211310 119802-11310 46 VV11980211310 ・・GASKET, BONNET 1 BPYBD,C
22857500100 228575-00100 47 VV22857500100 ・・SCREW, 5X10 4 BPYBD,C
22857500100 228575-00100 48 VV22857500100 ・・SCREW, 5X10 4 BPYBD,C
12416011360 124160-11360 49 VV12416011360 ・KNOB 3 BPYBD,C
24311000120 243110-00120 50 VV24311000120 ・O-RING, 1AP12.0 3 BPYBD,C
24311000320 243110-00320 51 VV24311000320 ・O-RING, 1AP32.0 1 BPYBD,C
12990007900 129900-07900 52 VV12990007900 ・LIFTER 1 BPYBD,C
26106080162 261060-80162 53 VV26106080162 ・BOLT, M8X 16 PLATED 2 BPYBD,C
12900877800 129008-77800 54 VV12900877800 ・PLUG, GLOW 3 BPYBD,C
11980377821 119803-77821 55 VV11980377821 ・CONNECTOR, GLOW PLUG 1 BPYBD,C
11980377830 119803-77830 56 VV11980377830 ・HARNESS, WIRE 1 BPYBD,C
129C0107910 129C0107910 57 VV129C0107910 ・SPACER, LIFTER 1 BPYBD,C
26106080252 261060-80252 58 VV26106080252 ・BOLT, M8X 25 PLATED 2 BPYBD,C
11993577350 119935-77350 59 VV11993577350 ・ADJUSTER, BELT 1 BPYBD,C
26106080162 261060-80162 60 VV26106080162 ・BOLT, M8X 16 PLATED 2 BPYBD,C

.
12915014200 129150-14200 1 VV12915014200 ・TAPPET 6
11981014400 119810-14400 2 VV11981014400 ・ROD, PUSH 6
11980214580 119802-14580 3 VV11980214580 ・CAMSHAFT ASSY 1
12915002450 129150-02450 4 VV12915002450 ・・BEARING, THRUST 1
12915014101 129150-14101 6 VV12915014101 ・・GEAR, CAMSHAFT 1
22512070140 225120-70140 7 VV22512070140 ・・KEY, 7X 14 1
26106080142 261060-80142 8 VV26106080142 ・BOLT, M8X 14 PLATED 2
11980325050 119803-25050 9 VV11980325050 ・SHAFT, IDLE 1
11980225101 119802-25101 10 VV11980225101 ・GEAR ASSY, IDLE 1
11980225071 119802-25071 13 VV11980225071 ・BUSH, IDLE GEAR 1 -1
26106080402 261060-80402 14 VV26106080402 ・BOLT, M8X 40 PLATED 3
12915025301 129150-25301 15 VV12915025301 ・BOLT 4
11980225901 119802-25901 16 VV11980225901 ・GEAR, PUMP 1
15855251151 158552-51151 17 VV15855251151 ・FLANGE 1

.
11980321000 119803-21000 1 VV11980321000 ・CRANKSHAFT ASSY 1
12910001580 129100-01580 2 VV12910001580 ・・PIN, 8X16 1
11980321200 119803-21200 4 VV11980321200 ・・GEAR, CRANKSHAFT 1
22512070140 225120-70140 5 VV22512070140 ・・KEY, 7X 14 1
22351030010 223510-30010 7 VV22351030010 ・PIN, SPRING 3.0X10 1
11980221650 119802-21650 8 VV11980221650 ・V-PULLEY, 110 1
12979521661 129795-21661 9 VV12979521661 ・WASHER 1
12185021680 121850-21680 10 VV12185021680 ・BOLT 1
12111121501 121111-21501 11 VV12111121501 ・BOLT, FLYWHEEL 6
12948921590 129489-21590 12 VV12948921590 ・FLYWHEEL ASSY 1
11986521600 119865-21600 14 VV11986521600 ・・GEAR, RING 1
11980322080 119803-22080 15 VV11980322080 ・PISTON ASSY 3
11980222500 119802-22500 17 VV11980222500 ・・RING SET, PISTON 3
11981322300 119813-22300 21 VV11981322300 ・PIN, PISTON 3
12979222400 129792-22400 22 VV12979222400 ・CIRCLIP, 23 6
71981023100 719810-23100 23 VV71981023100 ・ROD ASSY, CONNECTING 3
11981023200 119810-23200 26 VV11981023200 ・・BOLT, CONNECTING ROD 6
11981023601 119810-23601 27 VV11981023601 ・・BEARING, CRANK PIN 3
11981023910 119810-23910 29 VV11981023910 ・BEARING, PISTON PIN 3 -1
11981023611 119810-23611 30 VV11981023611 ・BEARING, 0.25 US 3 -2
11980322900 119803-22900 32 VV11980322900 ・PISTON ASSY 3 -3
11980222950 119802-22950 34 VV11980222950 ・・RING SET, 0.25 OS 3 -3

.
12900132002 129001-32002 1 VV12900132002 ・PUMP ASSY, OIL 1
12915032020 129150-32020 14 VV12915032020 ・GASKET, PUMP 1
26450060252 264500-60252 15 VV26450060252 ・BOLT, M6X 25 4
11980234802 119802-34802 16 VV11980234802 ・DIPSTICK, OIL 1
12152034810 121520-34810 17 VV12152034810 ・GUIDE, DIPSTICK 1
12915035042 129150-35042 18 VV12915035042 ・GASKET 1
11981035300 119810-35300 19 VV11981035300 ・PIPE ASSY, OIL INLET 1
26106080352 261060-80352 23 VV26106080352 ・BOLT, M8X 35 PLATED 2
11980235100 119802-35100 24 VV11980235100 ・BRACKET ASSY, FILTER 1
11980235110 119802-35110 25 VV11980235110 ・・BRACKET, FILTER 1
12910035140 129100-35140 26 VV12910035140 ・・STUD 1
12915035111 129150-35111 27 VV12915035111 ・GASKET 1
12915035153 129150-35153 29 VV12915035153 ・FILTER 1 (1) BPYBD,U
11900535151 119005-35151 29A VV11900535151 ・FILTER, D80X100L 1 (1) BPYBC
26106080202 261060-80202 30 VV26106080202 ・BOLT, M8X 20 PLATED 3
11425039450 114250-39450 31 VV11425039450 ・SWITCH, 0.5KG 1
12416039140 124160-39140 32 VV12416039140 ・BOLT, PIPE JOINT M10 1
11980239450 119802-39450 33 VV11980239450 ・PIPE ASSY, OIL 1
12900559830 129005-59830 34 VV12900559830 ・BOLT ASSY, JOINT M8 1
22190080002 221900-80002 35 VV22190080002 ・・WASHER, SEAL 8 1
23857030000 238570-30000 36 VV23857030000 ・・BOLT, JOINT 3 1
22190080002 221900-80002 37 VV22190080002 ・WASHER, SEAL 8 1
22190100002 221901-00002 38 VV22190100002 ・WASHER, SEAL 10 2
26366060002 263660-60002 39 VV26366060002 ・NUT, M6 1
11994035800 119940-35800 40 VV11994035800 ・OIL PAN 1

.
11980242001 119802-42001 1 VV11980242001 ・PUMP ASSY, WATER 1
11981042051 119810-42051 3 VV11981042051 ・・GASKET, WATER PUMP 1
11981042120 119810-42120 4 VV11981042120 ・・PLATE 1
11981042281 119810-42281 8 VV11981042281 ・・GASKET, WATER PUMP 1
11981042290 119810-42290 9 VV11981042290 ・・PIPE 1
12905442320 129054-42320 11 VV12905442320 ・・O-RING 1
23876030000 238760-30000 13 VV23876030000 ・・PLUG, R03 2
26106060142 261060-60142 14 VV26106060142 ・・BOLT, M6X 14 PLATED 2
26106060202 261060-60202 15 VV26106060202 ・・BOLT, M6X 20 PLATED 2
12948642050 129486-42050 16 VV12948642050 ・GASKET, WATER PUMP 1
23414080000 234140-80000 17 VV23414080000 ・GASKET, 8X1.0 1
26106080122 261060-80122 18 VV26106080122 ・BOLT, M8X 12 PLATED 1
26106080352 261060-80352 19 VV26106080352 ・BOLT, M8X 35 PLATED 1
26106080502 261060-80502 20 VV26106080502 ・BOLT, M8X 50 PLATED 1
26106080552 261060-80552 21 VV26106080552 ・BOLT, M8X 55 PLATED 2
12955642350 129556-42350 22 VV12955642350 ・V-PULLEY, 96 1
12126744741 121267-44741 23 VV12126744741 ・FAN, COOLING D=360 1
11982344760 119823-44760 24 VV11982344760 ・SPACER, FAN 1
26106060202 261060-60202 25 VV26106060202 ・BOLT, M6X 20 PLATED 4
12915549801 129155-49801 26 VV12915549801 ・THERMOSTAT, 71 1
12915049811 129150-49811 27 VV12915049811 ・GASKET, THERMOSTAT 1
12935049530 129350-49530 28 VV12935049530 ・COVER, THERMOSTAT 1
12979549551 129795-49551 29 VV12979549551 ・GASKET 1
26106080222 261060-80222 30 VV26106080222 ・BOLT, M8X 22 PLATED 2
12961242350 129612-42350 31 VV12961242350 ・V-BELT, A38 1 BPYBD,C
12961242380 129612-42380 31A VV12961242380 ・V-BELT, A38.5 1 BPYBU
26106060122 261060-60122 32 VV26106060122 ・BOLT, M6X 12 PLATED 4
12125044901 121250-44901 33 VV12125044901 ・SWITCH, 110 1
12446544950 124465-44950 34 VV12446544950 ・GASKET, 16 1
12446544950 124465-44950 35 VV12446544950 ・GASKET, 16 1
11980249610 119802-49610 36 VV11980249610 ・PIPE ASSY, WATER 1
11980249711 119802-49711 37 VV11980249711 ・・PIPE ASSY, WATER 1
11980249730 119802-49730 38 VV11980249730 ・・RETAINER, PIPE 1
12472259050 124722-59050 39 VV12472259050 ・・CLIP, HOSE 9 2
11980259320 119802-59320 40 VV11980259320 ・・TUBE, CORRUGATED 1
11980249620 119802-49620 41 VV11980249620 ・PIPE ASSY, WATER 1
11980249721 119802-49721 42 VV11980249721 ・・PIPE ASSY, WATER 1
12472259050 124722-59050 43 VV12472259050 ・・CLIP, HOSE 9 2
12146844520 121468-44520 44 VV12146844520 ・TANK ASSY, SUB 1
12145044531 121450-44531 46 VV12145044531 ・・CAP 1
12445044560 124450-44560 47 VV12445044560 ・・RETAINER 1
12147044581 121470-44581 48 VV12147044581 ・・GASKET 1
23065070130 230650-70130 49 VV23065070130 ・・PIPE, 7X 130 1
12915049360 129150-49360 50 VV12915049360 ・GASKET 1
17105649120 171056-49120 51 VV17105649120 ・PLUG, DRAIN 1
12145042450 121450-42450 52 VV12145042450 ・PLUG, M16 1
124465-44950 124465-44950 53 VV124465-44950 ・GASKET, 16 1

.
71993551380 719935-51380 1 VV71993551380 ・PUMP ASSY, INJECTION 1 -1
15855351551 158553-51551 4 VV15855351551 ・・JOINT 1
15860151650 158601-51650 5 VV15860151650 ・・JOINT, OVER FLOW 1
15855251670 158552-51670 6 VV15855251670 ・・JOINT, OVER FLOW 1
12900851900 129008-51900 11 VV12900851900 ・・COVER, GEAR CASE 1
12900851920 129008-51920 12 VV12900851920 ・・BOLT, M6X10 2
11980251090 119802-51090 13 VV11980251090 ・・KEY, 4X16 1
15860051270 158600-51270 38 VV15860051270 ・・STOPPER, TAPPET 1
15856351281 158563-51281 39 VV15856351281 ・・O-RING, 4D S6 1
15856351281 158563-51281 40 VV15856351281 ・・O-RING, 4D S6 1
12900851390 129008-51390 41 VV12900851390 ・・VALVE ASSY, DELIVERY 3
15856351330 158563-51330 50 VV15856351330 ・・・SPRING, DELIVERY 3
15860151550 158601-51550 58 VV15860151550 ・・PLUG 1
11980251560 119802-51560 59 VV11980251560 ・・PLUG, BARREL 1
15855251571 158552-51571 60 VV15855251571 ・・GASKET 3
15855251571 158552-51571 61 VV15855251571 ・・GASKET 1
15855751570 158557-51570 62 VV15855751570 ・・PLUG 1
15860151570 158601-51570 63 VV15860151570 ・・PLUG 1
15855251580 158552-51580 64 VV15855251580 ・・LIFTER 1
11980251590 119802-51590 65 VV11980251590 ・・TIMER SET 1
11980251600 119802-51600 66 VV11980251600 ・・・TIMER ASSY 1
15855351670 158553-51670 69 VV15855351670 ・・・O-RING, 1011 1
11980251680 119802-51680 70 VV11980251680 ・・・RING, BACK UP 1
11980251690 119802-51690 71 VV11980251690 ・・・O-RING 1
24356190200 243561-90200 72 VV24356190200 ・・・O-RING, 4D19020 1
24372000150 243720-00150 73 VV24372000150 ・・・RING, BACK UP T2P15 1
15855251600 158552-51600 74 VV15855251600 ・・GASKET 1
15855351630 158553-51630 75 VV15855351630 ・・SPRING, TIMER 1
15855351650 158553-51650 77 VV15855351650 ・・ELEMENT 1
15855351660 158553-51660 78 VV15855351660 ・・O-RING, P14 1
15855351680 158553-51680 79 VV15855351680 ・・GASKET 1
15860151770 158601-51770 99 VV15860151770 ・・PISTON 1
15855251781 158552-51781 100 VV15855251781 ・・SPRING 1
15860151790 158601-51790 101 VV15860151790 ・・PLUG 1
15855351930 158553-51930 103 VV15855351930 ・・PLUG, M12 1
22190120002 221901-20002 104 VV22190120002 ・・WASHER, SEAL 12 1
22190180002 221901-80002 105 VV22190180002 ・・WASHER, SEAL 18 1
15855351770 158553-51770 106 VV15855351770 ・・BOLT 4
15855252311 158552-52311 109 VV15855252311 ・・O-RING 1
15855252400 158552-52400 110 VV15855252400 ・・O-RING, 4E S42 1
22190120002 221901-20002 111 VV22190120002 ・・WASHER, SEAL 12 2
22190180002 221901-80002 112 VV22190180002 ・・WASHER, SEAL 18 2
22217140000 222171-40000 113 VV22217140000 ・・WASHER, SPRING 14 1
22312050140 223120-50140 114 VV22312050140 ・・PIN, PARALLEL 5X14 2
22351050010 223510-50010 115 VV22351050010 ・・PIN, SPRING 5.0X10 2
24311000070 243110-00070 117 VV24311000070 ・・O-RING, 1AP7.0 1
24356190180 243561-90180 118 VV24356190180 ・・O-RING, 4D19018 1
24356190200 243561-90200 119 VV24356190200 ・・O-RING, 4D19020 1
26106060102 261060-60102 120 VV26106060102 ・・BOLT, M6X 10 PLATED 1
26450080452 264500-80452 122 VV26450080452 ・・BOLT, M8X 45 4
26776140002 267761-40002 123 VV26776140002 ・・NUT, LOCK M14 1
15855252100 158552-52100 125 VV15855252100 ・・PUMP ASSY, FUEL FEED 1
15855252500 158552-52500 126 VV15855252500 ・・・O-RING 1
11993459910 119934-59910 127 VV11993459910 ・・JOINT, PIPE 1
22190120002 221901-20002 128 VV22190120002 ・・WASHER, SEAL 12 1
11980251250 119802-51250 130 VV11980251250 ・RETAINER, PUMP 1
26106080162 261060-80162 131 VV26106080162 ・BOLT, M8X 16 PLATED 1
26106080202 261060-80202 132 VV26106080202 ・BOLT, M8X 20 PLATED 1
129642-61060 GOVERNOR YANMAR 3TNV82 3TNV82A-BPYBD 3TNV82A-BPYBC 3TNV82A-BPYBU DIESEL ENGINE PARTS
- .
15855361050 158553-61050 3 VV15855361050 ・・GASKET 1
15855361070 158553-61070 4 VV15855361070 ・・GASKET 1
12915551280 129155-51280 6 VV12915551280 ・・O-RING, S6 1
15855351930 158553-51930 7 VV15855351930 ・・PLUG, M12 1
12925561410 129255-61410 23 VV12925561410 ・・NUT, LOCK 1
11980761420 119807-61420 24 VV11980761420 ・・SPRING, RETURN 1
15855261441 158552-61441 25 VV15855261441 ・・LEVER, REGULATOR 1
12915561460 129155-61460 26 VV12915561460 ・・BOLT, IDLE 1
11966061901 119660-61901 61 VV11966061901 ・・RETAINER, SHAFT 1
22190120002 221901-20002 65 VV22190120002 ・・WASHER, SEAL 12 1
26106060102 261060-60102 68 VV26106060102 ・・BOLT, M6X 10 PLATED 1
26756060002 267560-60002 69 VV26756060002 ・・NUT, LOCK M6 1
15855261900 158552-61900 78 VV15855261900 ・・O-RING 1
26106060142 261060-60142 84 VV26106060142 ・・BOLT, M6X 14 PLATED 2
26106060142 261060-60142 85 VV26106060142 ・・BOLT, M6X 14 PLATED 4
26106060202 261060-60202 86 VV26106060202 ・・BOLT, M6X 20 PLATED 10
12964261060 129642-61060 87 VV12964261060 ・・COVER, GOVERNOR CASE 1
11923377932 119233-77932 130 VV11923377932 ・・SOLENOID, STOP 1

.
72924653200 729246-53200 1 VV72924653200 ・VALVE ASSY,INJECTION 3
12924653001 129246-53001 2 VV12924653001 ・・VALVE ASSY,INJECTION 3
11425053080 114250-53080 5 VV11425053080 ・・NUT, NOZZLE D16.95 3
11425053120 114250-53120 11 VV11425053120 ・・SPRING, NOZZLE 3
11425053130 114250-53130 12 VV11425053130 ・・SEAT, SPRING 3
11425053140 114250-53140 13 VV11425053140 ・・PLATE 3
11425053210 114250-53210 14 VV11425053210 ・・PIN 6
11980353400 119803-53400 15 VV11980353400 ・・SHIM SET 3
11930559120 119305-59120 42 VV11930559120 ・RETAINER, PIPE 1
12915059131 129150-59131 45 VV12915059131 ・・BOLT, M4X14 1
12915059120 129150-59120 46 VV12915059120 ・RETAINER, PIPE 1
12915059131 129150-59131 49 VV12915059131 ・・BOLT, M4X14 2
11980359810 119803-59810 51 VV11980359810 ・PIPE ASSY, INJECTION 1
11980359820 119803-59820 52 VV11980359820 ・PIPE ASSY, INJECTION 1
11980359830 119803-59830 53 VV11980359830 ・PIPE ASSY, INJECTION 1
11980259550 119802-59550 55 VV11980259550 ・PIPE ASSY, RETURN 1
12472259050 124722-59050 56 VV12472259050 ・・CLIP, HOSE 9 2
11980259560 119802-59560 57 VV11980259560 ・・PIPE, FUEL RETURN 1
12948659551 129486-59551 58 VV12948659551 ・PIPE ASSY, RETURN 2
12472259050 124722-59050 59 VV12472259050 ・・CLIP, HOSE 9 4
11959359581 119593-59581 61 VV11959359581 ・CAP 1
12406077680 124060-77680 62 VV12406077680 ・CLIP, HOSE 10 1

.
71980292700 719802-92700 1 VV71980292700 ・GASKET SET 1 -1
11981201330 119812-01330 2 VV11981201330 ・・GASKET, HEAD 1
11960932040 119609-32040 3 VV11960932040 ・・O-RING, P16 2
12185051960 121850-51960 4 VV12185051960 ・・O-RING 1
22190080002 221900-80002 5 VV22190080002 ・・WASHER, SEAL 8 7
24311000320 243110-00320 6 VV24311000320 ・・O-RING, 1AP32.0 2
24341000240 243410-00240 7 VV24341000240 ・・O-RING, 1AS24.0 1
22190220002 221902-20002 8 VV22190220002 ・・WASHER, SEAL 22 1
11980311340 119803-11340 9 VV11980311340 ・・SEAL, VALVE STEM 3
12416011340 124160-11340 10 VV12416011340 ・・SEAL, VALVE STEM 3
11980211870 119802-11870 11 VV11980211870 ・・PROTECTOR, NOZZLE 3
11962511880 119625-11880 12 VV11962511880 ・・SEAT, NOZZLE 3
11980211310 119802-11310 13 VV11980211310 ・・GASKET, BONNET 1
24311000120 243110-00120 14 VV24311000120 ・・O-RING, 1AP12.0 3
11981012112 119810-12112 15 VV11981012112 ・・GASKET, MANIFOLD 1
12915077511 129150-77511 16 VV12915077511 ・・GASKET 1
11981013110 119810-13110 17 VV11981013110 ・・GASKET 1
12900413200 129004-13200 18 VV12900413200 ・・GASKET, SILENCER 1
12915032020 129150-32020 19 VV12915032020 ・・GASKET, PUMP 1
12915035042 129150-35042 20 VV12915035042 ・・GASKET 1
12915035111 129150-35111 21 VV12915035111 ・・GASKET 1
22190100002 221901-00002 22 VV22190100002 ・・WASHER, SEAL 10 2
12948642050 129486-42050 23 VV12948642050 ・・GASKET, WATER PUMP 1
23414080000 234140-80000 24 VV23414080000 ・・GASKET, 8X1.0 1
12915049811 129150-49811 25 VV12915049811 ・・GASKET, THERMOSTAT 1
12979549551 129795-49551 26 VV12979549551 ・・GASKET 1
12446544950 124465-44950 27 VV12446544950 ・・GASKET, 16 2
12915049360 129150-49360 28 VV12915049360 ・・GASKET 1

.
12924277010 129242-77010 1 VV12924277010 ・STARTER, 1.7 1
12969877020 129698-77020 2 VV12969877020 ・・SWITCH ASSY 1
12924277100 129242-77100 3 VV12924277100 ・・ARMATURE ASSY 1
12924277110 129242-77110 4 VV12924277110 ・・YOKE ASSY 1
12924277120 129242-77120 5 VV12924277120 ・・HOLDER ASSY, BRUSH 1
12924277130 129242-77130 6 VV12924277130 ・・・BRUSH 2
12924277140 129242-77140 7 VV12924277140 ・・・BRUSH SET 1
12924277150 129242-77150 8 VV12924277150 ・・・SPRING 4
12924277160 129242-77160 9 VV12924277160 ・・COVER ASSY 1
12924277170 129242-77170 10 VV12924277170 ・・・METAL 1
11840077170 118400-77170 11 VV11840077170 ・・GEAR 3
12924277180 129242-77180 12 VV12924277180 ・・BRACKET 1
12969877190 129698-77190 13 VV12969877190 ・・・BRACKET 1
12969877200 129698-77200 14 VV12969877200 ・・GEAR, INTERNAL 1
12924277210 129242-77210 15 VV12924277210 ・・BRACKET 1
12969877220 129698-77220 16 VV12969877220 ・・PINION ASSY 1
12969877230 129698-77230 17 VV12969877230 ・・SHAFT 1
12969877250 129698-77250 18 VV12969877250 ・・WASHER SET 1
12924277260 129242-77260 19 VV12924277260 ・・CASE ASSY 1
X2114535200 X2114535200 20 VVX2114535200 ・・・METAL, STARTER 1
12924277270 129242-77270 21 VV12924277270 ・・LEVER SET 1
12924277280 129242-77280 22 VV12924277280 ・・COVER ASSY, DUST 1
12419577770 124195-77770 23 VV12419577770 ・・BOLT, THROUGH 2
26106120252 261061-20252 24 VV26106120252 ・BOLT, M12X 25 PLATED 2

11962677210 119626-77210 1 VV11962677210 ・ALTERNATOR, 12V-55A 1 BPYBD,C
X9490561001 X9490561001 2 VVX9490561001 ・・NUT 1 BPYBD,C
12905277380 129052-77380 3 VV12905277380 ・・ROTOR ASSY 1 BPYBD,C
12350179240 123501-79240 4 VV12350179240 ・・・BEARING, BALL 1 BPYBD,C
11962079250 119620-79250 5 VV11962079250 ・・・COVER 1 BPYBD,C
12905277422 129052-77422 6 VV12905277422 ・・FRAME ASSY 1 BPYBD,C
11962079200 119620-79200 7 VV11962079200 ・・・BEARING, BALL 1 BPYBD,C
11962079210 119620-79210 8 VV11962079210 ・・・PLATE, RETAINER 1 BPYBD,C
11962079220 119620-79220 9 VV11962079220 ・・・SCREW 4 BPYBD,C
11962079230 119620-79230 10 VV11962079230 ・・・STUD 2 BPYBD,C
12840177440 128401-77440 11 VV12840177440 ・・FRAME 1 BPYBD,C
11962077461 119620-77461 12 VV11962077461 ・・PULLEY 1 BPYBD,C
11962077471 119620-77471 13 VV11962077471 ・・NUT 1 BPYBD,C
11962077490 119620-77490 14 VV11962077490 ・・COLLAR 1 BPYBD,C
12942377710 129423-77710 15 VV12942377710 ・・REGULATOR ASSY 1 BPYBD,C
12905279260 129052-79260 16 VV12905279260 ・・HOLDER 1 BPYBD,C
12905279270 129052-79270 17 VV12905279270 ・・HOLDER, BRUSH 1 BPYBD,C
11962079290 119620-79290 18 VV11962079290 ・・SCREW 6 BPYBD,C
11962079300 119620-79300 19 VV11962079300 ・・SCREW 1 BPYBD,C
11962079310 119620-79310 20 VV11962079310 ・・BOLT 3 BPYBD,C
11962079320 119620-79320 21 VV11962079320 ・・SCREW 2 BPYBD,C
11962079330 119620-79330 22 VV11962079330 ・・BOLT 2 BPYBD,C
11962079340 119620-79340 23 VV11962079340 ・・BUSH, INSULATION 1 BPYBD,C
11962079350 119620-79350 24 VV11962079350 ・・NUT 2 BPYBD,C
11962677450 119626-77450 25 VV11962677450 ・・COVER 1 BPYBD,C
11974077251 119740-77251 26 VV11974077251 ・BOLT, M10X80 1 BPYBD,C
26306100002 263061-00002 27 VV26306100002 ・NUT, M10 1 BPYBD,C
12473277340 124732-77340 28 VV12473277340 ・SPACER 1 BPYBD,C
11993577350 119935-77350 29 VV11993577350 ・ADJUSTER, BELT 1 BPYBD,C
12963077350 129630-77350 30 VV12963077350 ・BLOCK ASSY, ADJUSTER 1 BPYBD,C
12963077380 129630-77380 32 VV12963077380 ・・BOLT, M8X100 1 BPYBD,C
22272000050 222720-00050 33 VV22272000050 ・・RING, E- 5 1 BPYBD,C
26106080652 261060-80652 34 VV26106080652 ・BOLT, M8X 65 PLATED 1 BPYBD,C
12921177920 129211-77920 35 VV12921177920 ・TIMER 1 BPYBD,C
11980277200 119802-77200 36 VV11980277200 ・RELAY, SAFETY 1 BPYBD,C
11965077911 119650-77911 37 VV11965077911 ・RELAY ASSY, GLOW 1 BPYBD,C
129C00-77300 129C00-77300 40 VV129C00-77300 ・RESISTER MOLDE 1 BPYBD,C